產品特點Product Features
No.1
硬件按需定制:內裝元件品牌為施耐德、正泰、德力西、ABB、天正、西門子、上海人民、中國人民、常熟等一線品牌,可根據用戶要求定制,也可增加配置,例如可加裝電涌保護器、電流表、電壓表、互感器等。
No.2
系統安全穩定:專業電子工程師設計電路,具有過載、短路保護功能,可根據用戶要求加裝帶漏電保護功能產品;
No.3
采用質優板材:殼體采用鋁合金壓鑄或優質碳鋼板(不銹鋼)焊接成型,外殼結構緊湊合理、材質密度高、防爆性能優良,牢固可靠,抗震、剛沖擊。
No.4
防腐性能:殼體表面采用高壓靜電噴塑處理,螺絲緊固件采用不銹鋼材質,配合高精度加工工藝,具有高防腐、高防銹、高防水等特點,也可根據客戶需求采用不銹鋼材質制作,來滿足在各類強酸、強堿、防護要求較高的惡劣環境中長期正常工作。
No.5
防爆結構:本司承諾所有防爆產品均嚴格按照國家防爆標準系列文件設計,完全達到國家防爆標準等級和設計要求,并取得相關國家防爆證書及檢測報告,證書齊全,安全可靠,品質優良。
No.6
安裝方式:鋼管,防爆撓性管、防爆電纜,布線簡單,安裝方便。
● 控制箱一般均為復合型結構,外殼采用優質鋁合金壓鑄成型,表面高壓靜電噴塑;
● ⅡC類主體外殼采用增安型結構,內裝的元件有按鈕、控制開關、儀表等均為防爆元件;
● ⅡB類主體外殼采用隔爆型結構,內部元件可安裝防爆元件或普通低壓元件如繼電器、溫控儀或各種功能模塊;
● 控制箱內部元件可根據用戶要求進行排列,可實現多種功能,控制開關有多種功能可供選擇,
指示燈也有多種顏色可供選擇,由于該產品變化多端訂貨時請提供接線原理圖;
● 執行標準:GB 3836.1-2000、GB 3836.2-2000、GB 3836.3-2000。
型號規格含義Model specification meaning

規格參數Product parameters
1、執行標準:IEC60079-0、IEC60079-1、IEC60079-7、IEC61241-1-1;
2、防爆標志:ExdellBT4、ExdellCT6、DIPA21TA,T6;
3、額定電壓:AC380V;
4、主回路額定電流:≤400A;
5、支路數:2、4;
6、支路額定電流:≤100A;
7、防護等級:IP65;
8、防腐等級:WF1;
9、引入口規格:G1″~G3″;
10、適用電纜外徑:Φ11mm~Φ55mm;
11、進出線口方向:下進下出或下進上出(常規為下進下出,其它方向請注明);
12、安裝方式:掛式、立式;
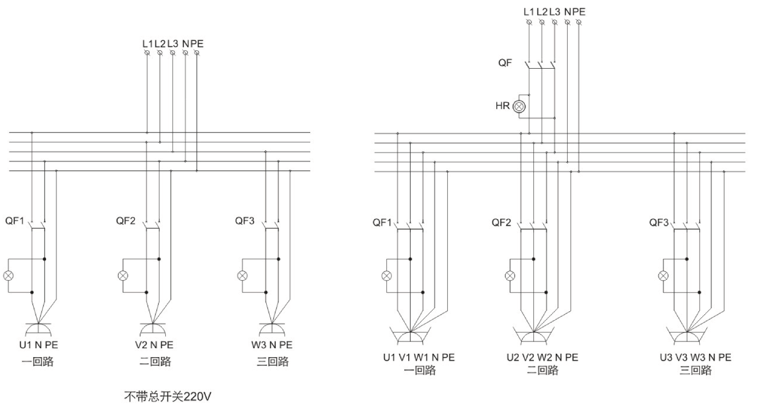
電氣原理圖Electrical schematic

尺寸規格Dimensions

資質認證Qualification
